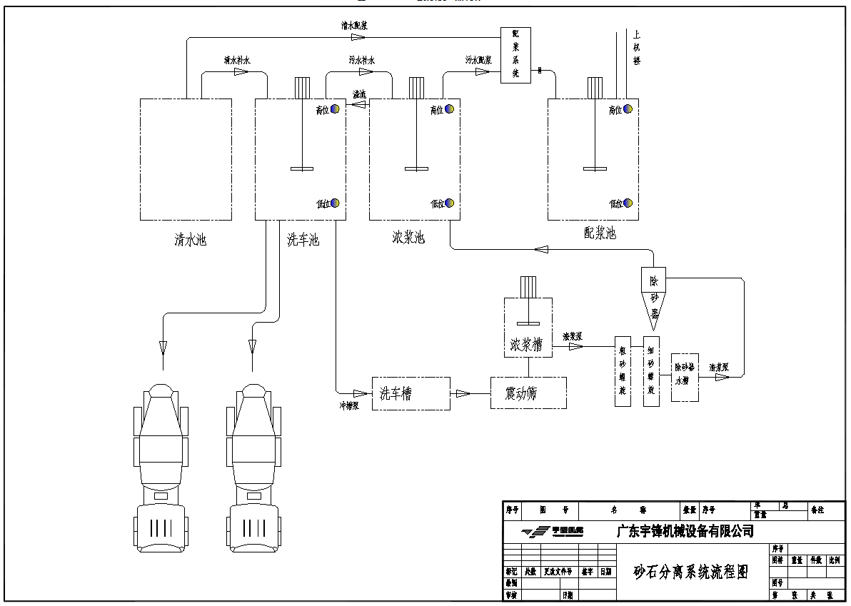
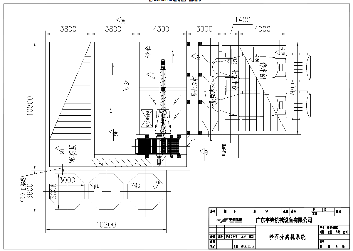
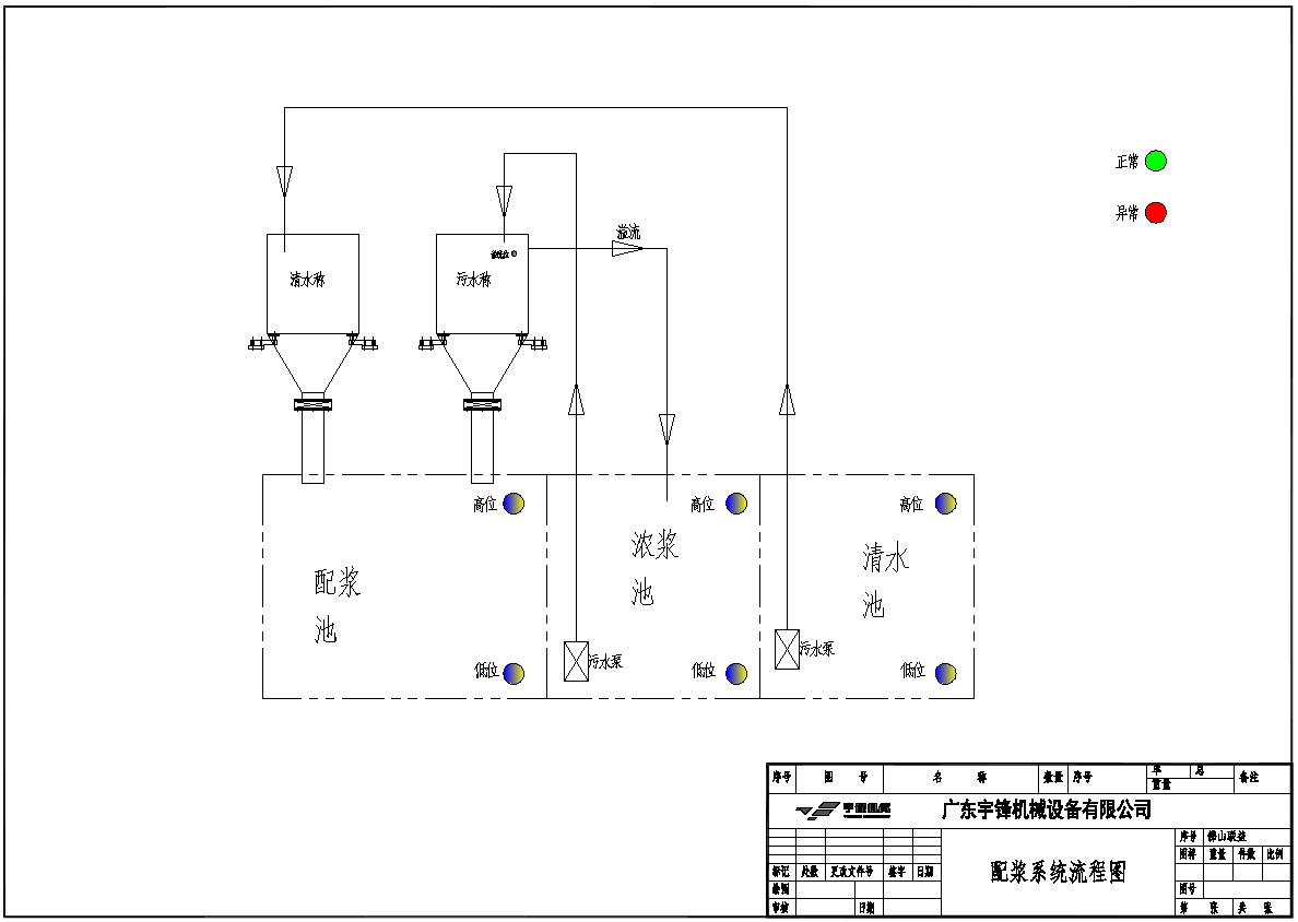
砂石分离机-技术参数工艺流程
时间:2021-10-22 浏览量:1900
产品简介



主要技术参数
|
设备功率: |
13KW |
|
主设备外形尺寸: |
1700x2900x1900 |
|
配料斗容积: |
1.5m3×2 |
|
原浆污水浓度要求: |
小于20% |
|
成品浆水浓度范围: |
3%---15% |
|
单次配浆量: |
1.2m3(浓度按8%计算)约1300KG |
|
单次配浆用时: |
小于90S |
|
每日连续配浆5小时,配浆量约260吨 | |
|
每方混凝土用污水量80kg,单日工作5小时配浆量可满足生产3250方混凝土 | |




